Result description
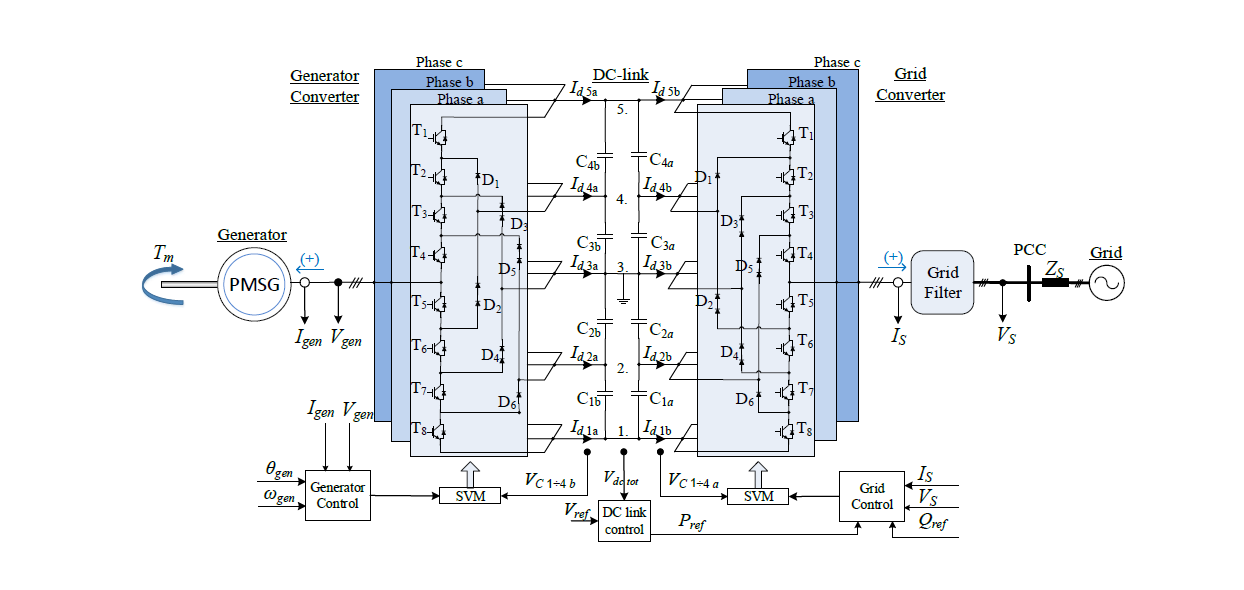
The voltage balancing of the dc-link capacitors in an electric drive system with five-level neutral-point-clamped converters is investigated in this paper. A properly modified space-vector-modulation technique is utilized in combination with a multilevel dc/dc converter for controlling the capacitor voltages. An advanced algorithm has been developed for reducing the losses of the electric drive system and for ensuring that the capacitor voltages are balanced in every operating condition. The developed electric drive system can be used in offshore power plants for driving medium voltage generators. Selective simulation results are presented to validate the theoretical considerations.
Addressing target audiences and expressing needs
- Collaboration
Collaboration with academia and with developers of electrical power converters
- Research and Technology Organisations
- Academia/ Universities
R&D, Technology and Innovation aspects
Theoretical study, simulation, and laboratory hardware demonstrator
The result is a technology method described in a research paper
The method could save on materials and improve efficiency compared to today’s 3-level converters.
Result submitted to Horizon Results Platform by CHALMERS TEKNISKA HOEGSKOLA AB

