Result description Coastal and especially estuarine environments are characterized by high sediment dynamics. The distribution of sediments over an area
Innovation Offers
Result description What is the problem In 2015, the coastal area of the Loire estuary has been designated as a
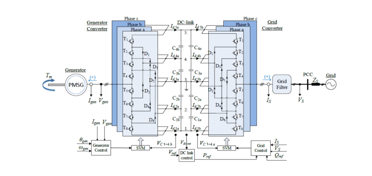
Result description The voltage balancing of the dc-link capacitors in an electric drive system with five-level neutral-point-clamped converters is investigated
Result description The EU Water Framework Directive (WFD) applies in principle to all surface waters in the EU. The purpose
Result description Tides can power cities using Minesto’s tidal kite technology, Deep Green. This scientific paper describes how the turbine
Result description High frequency measurements to enable aquaculture farmers to protect their stock, to allow water managers to obtain more
Result description We developed a method that is able to detect emotions in users of a smartphone application. To do
Result description Following the project, Brevel developed a disruptive technology for microalgae cultivation which revolutionizes the microalgae industry and enables
Result description Reduced energy consumption between 10-20% in the largest wastewater treatment plant of Portugal (for a wastewater pump system of 500 kW).
Result description Scintillator-based X and gamma-ray detectors are designed to provide the energy and position resolution of the interaction point
Result description The engine bracket parts for the automotive end-user have been manufactured on several L-PBF systems such as RENISHAW
Result description The Glenoid Reamer use-case for Metal Binder Jetting process was manufactured on a HP system. Mechanical properties with










